Thông Số Kỹ Thuật SGM7A-15AFA2C:
- Công suất : 1.5 kW
- Điện áp định mức : 200VAC
- Dòng điện định mức : 9.3 A
- Momen định mức : 4.9 Nm
- Momen tới hạn : 14.7 Nm
- Tốc độ định mức : 3000 rmp
- Tốc độ tối đa : 6000 rmp
- Quán tính trục : 2.25 [10^(-4) kg*m2]
- Có hỗ trợ phanh 24VDC
- Độ phân giải encoder : 24 bit encoder tương đối
- Kích thước mặt bích (LC) : 100 mm
- Độ dài trục (LR) : 45 mm
- Đạt tiêu chuẩn IP65
Hướng dẫn đọc mã động cơ :

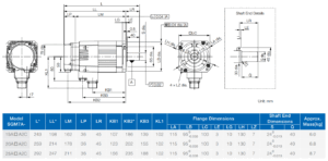
Bản vẽ kích thước động cơ :

Tài liệu tham khảo :
Sigma 7 Series 200V Catalog : Download
Sigma 7 Series 400V Catalog : Download
Sigma 7 Series Manual : Download
Ứng dụng :
Servopack Sigma 7 của Yaskawa là một thiết bị điều khiển động cơ servo chất lượng cao, được thiết kế để cung cấp hiệu suất cao và độ chính xác cao cho các ứng dụng điều khiển chuyển động. Thiết bị này được sử dụng rộng rãi trong các ứng dụng như máy công cụ, các thiết bị tự động hóa, các dây chuyền sản xuất và các hệ thống robot. Nó cung cấp độ chính xác và độ tin cậy cao, giúp tăng năng suất và giảm thời gian dừng máy với khả năng chịu quá tải lên đến 150%.



